PRODUCTS INFORMATIONリニアボールブッシュ
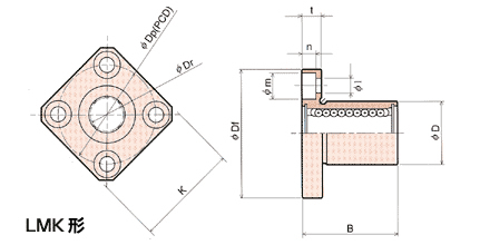
リニアボールブッシュ 角型フランジ:LMKシリーズPRODUCTS
(ステンレス仕様はLMK-30まで)
製品仕様
*片側シール(U)はフランジ側となります。
| 形番 | 内接円径 dr | 外径 D | 全長 B | ||||
|---|---|---|---|---|---|---|---|
| LMK | シール番号 | 基準寸法 | 許容差 | 基準寸法 | 許容差 | 基準寸法 | 許容差 |
| LMK-6 | U, UU | 6 | 0 -0.009 |
12 | 0 -0.011 |
19 | 0 -0.20 |
| LMK-8S | U, UU | 8 | 15 | 17 | |||
| LMK-8 | U, UU | 8 | 15 | 24 | |||
| LMK-10 | U, UU | 10 | 19 | 0 -0.013 |
29 | ||
| LMK-12 | U, UU | 12 | 21 | 30 | |||
| LMK-13 | U, UU | 13 | 23 | 32 | |||
| LMK-16 | U, UU | 16 | 28 | 37 | |||
| LMK-20 | U, UU | 20 | 0 -0.010 |
32 | 0 -0.016 |
42 | |
| LMK-25 | U, UU | 25 | 40 | 59 | 0 -0.30 |
||
| LMK-30 | U, UU | 30 | 45 | 64 | |||
| LMK-35 | U, UU | 35 | 0 -0.012 |
52 | 0 -0.019 |
70 | |
| LMK-40 | U, UU | 40 | 60 | 80 | |||
| LMK-50 | U, UU | 50 | 80 | 100 | |||
| LMK-60 | U, UU | 60 | 0 -0.015 |
90 | 0 -0.022 |
110 | |
| 形番 | Df | Dp | K | t | l | m | n | 条列数 Z | 基本動定格 荷重C(N) |
基本静定格 荷重Co(N) |
|---|---|---|---|---|---|---|---|---|---|---|
| LMK | ||||||||||
| LMK-6 | 28 | 20 | 22 | 5 | 3.4 | 6.5 | 3.3 | 4 | 206 | 265 |
| LMK-8S | 32 | 24 | 25 | 5 | 3.4 | 6.5 | 3.3 | 4 | 176 | 225 |
| LMK-8 | 32 | 24 | 25 | 5 | 3.4 | 6.5 | 3.3 | 4 | 265 | 402 |
| LMK-10 | 39 | 29 | 30 | 6 | 4.5 | 8 | 4.4 | 4 | 373 | 549 |
| LMK-12 | 42 | 32 | 32 | 6 | 4.5 | 8 | 4.4 | 4 | 412 | 598 |
| LMK-13 | 43 | 33 | 34 | 6 | 4.5 | 8 | 4.4 | 4 | 510 | 775 |
| LMK-16 | 48 | 38 | 37 | 6 | 4.5 | 8 | 4.4 | 5 | 775 | 1180 |
| LMK-20 | 54 | 43 | 42 | 8 | 5.5 | 9.2 | 5.4 | 5 | 863 | 1370 |
| LMK-25 | 62 | 51 | 50 | 8 | 5.5 | 9.2 | 5.4 | 6 | 980 | 1570 |
| LMK-30 | 74 | 60 | 58 | 10 | 6.6 | 11 | 6.5 | 6 | 1570 | 2750 |
| LMK-35 | 82 | 67 | 64 | 10 | 6.6 | 11 | 6.5 | 6 | 1670 | 3140 |
| LMK-40 | 96 | 78 | 75 | 13 | 9 | 14 | 8.6 | 6 | 2160 | 4020 |
| LMK-50 | 116 | 98 | 92 | 13 | 9 | 14 | 8.6 | 6 | 3820 | 7940 |
| LMK-60 | 134 | 112 | 106 | 18 | 11 | 17.5 | 10.8 | 6 | 4710 | 10000 |
リニアボールブッシュ各種
フランジなし
フランジ付き
丸フランジLMF:丸形フランジ

冷間鍛造による一体構造で剛性が高く、また直接ボルトで固定可能なため組立工数の削減が可能です。
丸フランジLMF_L:丸形フランジロング

冷間鍛造による一体構造で剛性が高く、また直接ボルトで固定可能なため組立工数の削減が可能です。
角フランジLMK:角形フランジ

冷間鍛造による一体構造で剛性が高く、丸フランジタイプより芯高さが低く取付可能なため装置の小型化が可能です。
角フランジLMK_L:角形フランジロング

冷間鍛造による一体構造で剛性が高く、丸フランジタイプより芯高さが低く取付可能なため装置の小型化が可能です。
2面 カットフランジLMH:ニ面カットフランジ

冷間鍛造による一体構造で剛性が高く、角フランジタイプより芯高さが低く取付可能なため装置の小型化が可能です。
2面 カットフランジLMH_L:ニ面カットフランジロング

冷間鍛造による一体構造で剛性が高く、角フランジタイプより芯高さが低く取付可能なため装置の小型化が可能です。










