PRODUCTS INFORMATIONリニアボールブッシュ
リニアボールブッシュ 軽量化タイプJFK-LシリーズPRODUCTS
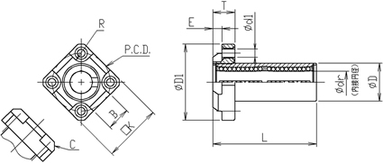
製品仕様
| 形番 | 条列数 Z | 内接円径 dr | 外径 D | 全長 L | フランジ径 D1 | |||||
|---|---|---|---|---|---|---|---|---|---|---|
| JFK | シール番号 | 基準 寸法 |
許容差 | 基準 寸法 |
許容差 | 基準 寸法 |
許容差 | 基準 寸法 |
許容差 | |
| JFK 08L | U, UU | 4 | 8 | 15 | 45 | 32 | ||||
| JFK 10L | U, UU | 10 | 19 | 55 | 39 | |||||
| JFK 12L | U, UU | 12 | 21 | 57 | 42 | |||||
| JFK 16L | U, UU | 5 | 16 | 28 | 70 | 48 | ||||
| JFK 20L | U, UU | 20 | 32 | 80 | 54 | |||||
| JFK 25L | U, UU | 6 | 25 | 40 | 112 | 62 | ||||
| 形番 | K | B | R | T | C | E | PCD | d1 |
|---|---|---|---|---|---|---|---|---|
| JFK | ||||||||
| JFK 08L | 25 | 10 | R4 | 10 | C3 | 4 | 24 | 3.4 |
| JFK 10L | 30 | 12 | R5 | 12 | 5 | 29 | 4.5 | |
| JFK 12L | 32 | 13 | 32 | |||||
| JFK 16L | 37 | 18 | 38 | |||||
| JFK 20L | 42 | 21 | 16 | 6 | 43 | 5.5 | ||
| JFK 25L | 50 | 26 | R6 | 51 |
| 形番 | フランジ直角度 | 同軸度(偏心) | 基本動定格 | 基本静定格 | 質量 |
|---|---|---|---|---|---|
| JFK | i | j | 荷重 C(N) | 荷重 Co(N) | (g) |
| JFK 08L | 0.015 | 0.015 | 431 | 784 | 32 |
| JFK 10L | 588 | 1100 | 58 | ||
| JFK 12L | 657 | 1200 | 63 | ||
| JFK 16L | 1230 | 2350 | 158 | ||
| JFK 20L | 0.200 | 0.200 | 1400 | 2750 | 182 |
| JFK 25L | 1560 | 3140 | 421 |
リニアボールブッシュ各種
フランジなし
フランジ付き
丸フランジLMF:丸形フランジ

冷間鍛造による一体構造で剛性が高く、また直接ボルトで固定可能なため組立工数の削減が可能です。
丸フランジLMF_L:丸形フランジロング

冷間鍛造による一体構造で剛性が高く、また直接ボルトで固定可能なため組立工数の削減が可能です。
角フランジLMK:角形フランジ

冷間鍛造による一体構造で剛性が高く、丸フランジタイプより芯高さが低く取付可能なため装置の小型化が可能です。
角フランジLMK_L:角形フランジロング

冷間鍛造による一体構造で剛性が高く、丸フランジタイプより芯高さが低く取付可能なため装置の小型化が可能です。
2面 カットフランジLMH:ニ面カットフランジ

冷間鍛造による一体構造で剛性が高く、角フランジタイプより芯高さが低く取付可能なため装置の小型化が可能です。
2面 カットフランジLMH_L:ニ面カットフランジロング

冷間鍛造による一体構造で剛性が高く、角フランジタイプより芯高さが低く取付可能なため装置の小型化が可能です。










